

江西美伦电瓷科技有限公司
联系人:谢总
电话:0799-7554499
手机:15079916868
地址:江西省萍乡市芦溪县芦溪镇新田村
邮箱:1328800399@qq.com
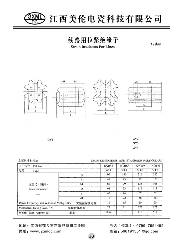
产品中心
首页 > 产品中心
美伦电磁画册











































































江西美伦电瓷科技有限公司地处赣西煤城—萍乡市(安源工人运动策源地)。厂区在萍乡市芦溪县新田村电瓷生产基地,320国道旁边,FAG轴承浙赣铁路4.5公里,西距319国道11公里,西北离长沙黄花机场150公里,交通极为便利。
上一篇:无 下一篇:户内联合胶装支柱绝缘子






